Professional Mercedes-Benz GL X164 2005-2009 Service Manual Repair, Workshop Service Repair – Complete Service Manual & Repair Workshop Guide
Get comprehensive access to factory service manuals and workshop repair guides for your vehicle. Our detailed technical manuals provide step-by-step repair procedures, diagnostic troubleshooting, maintenance schedules, and mechanical specifications directly from manufacturer standards.
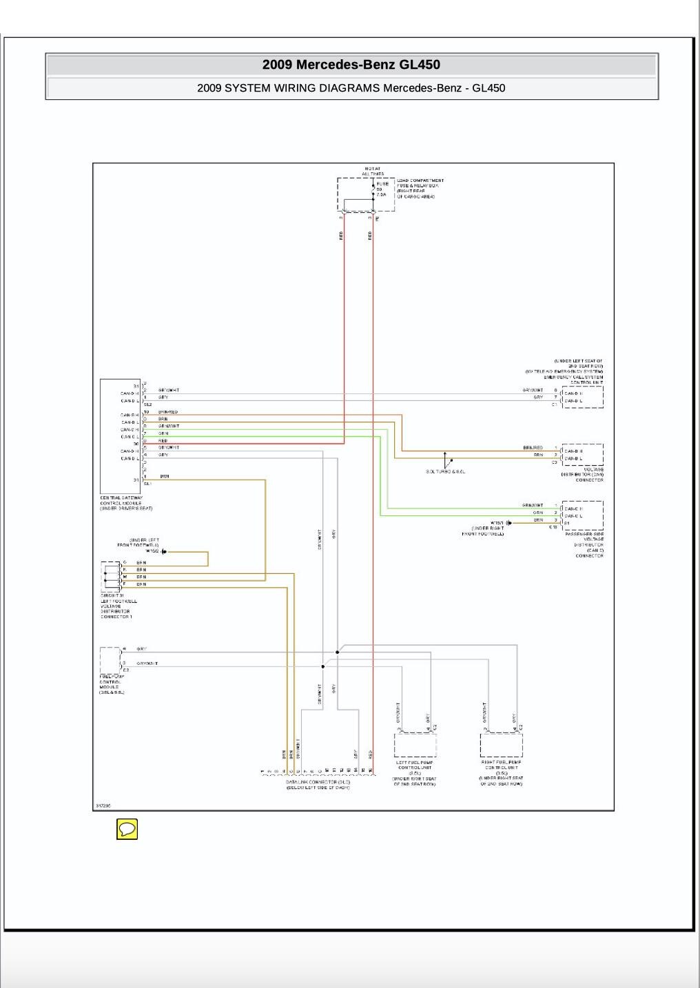
What’s Included: Professional automotive repair manuals covering complete engine overhaul, transmission rebuild, electrical system diagnostics, brake service, suspension repair, air conditioning maintenance, body work, and component replacement procedures. Each manual includes wiring diagrams, torque specifications, fluid capacities, parts diagrams, and exploded views.
Perfect For:
• Professional automotive technicians and mechanics
• DIY car enthusiasts and home garage repairs
• Auto repair shops and service centers
• Vehicle maintenance and preventive service
• Diagnostic troubleshooting and fault code reading
• Parts identification and ordering
Key Features: ✓ OEM factory specifications and procedures ✓ Detailed wiring and electrical diagrams ✓ Engine, transmission, and drivetrain repair ✓ Brake, suspension, and steering system service ✓ HVAC, electrical, and electronic diagnostics ✓ Bodywork, interior, and exterior maintenance ✓ Scheduled maintenance and service intervals ✓ Diagnostic trouble codes (DTC) and solutions
Format Benefits: Comprehensive manual, searchable content, print-friendly pages, compatible with multiple devices and platforms. Access your repair manual for Mercedes-Benz GL X164 2005-2009 Service Manual Repair, Workshop Service Repair and start your repairs immediately.
Save thousands on dealership labor costs by performing your own repairs, service, and maintenance with professional factory-authorized instructions for Mercedes-Benz GL X164 2005-2009 Service Manual Repair, Workshop Service Repair.







Reviews
Clear filtersThere are no reviews yet.